| عنوان | مشخصات |
|---|---|
| گواهینامه (IECEx) | IECEx NEP 18.0022X |
| حفاظت ضد انفجار-گاز(IECEx) | Ex db IIC T6/T5/T4 Gb |
| حفاظت ضد انفجار-گرد و غبار(IECEx) | Ex tb IIIC T80°C/T85°C/T95°C/T100°C Db IP66 |
| گواهینامه (ATEX) | TÜV CY 19 ATEX 0206175X |
| حفاظت ضد انفجار-گاز(ATEX) | II 2 G Ex db IIC T6/T5/T4 Gb |
| حفاظت ضد انفجار -گرد و غبار(ATEX) | II 2 D Ex tb IIIC T80°C/T85°C/T95°C/T100°C Db IP66 |
| گواهینامهها | IECEx; ATEX; CU-TR |
| استانداردها | EN 60079-0, EN 60079-1, EN 60079-31, IEC 60079-0, IEC 60079-1, IEC 60079-31 |
| جنس بدنه | آلیاژ آلومینیوم بدون مس، روکش پودری زرد (RAL1021) |
| پوشش شفاف | پوشش شفاف مقاوم، تحمل ضربه 4 ژول |
| پیچهای خارجی | فولاد ضد زنگ |
| درایور LED | درایور LED با ولتاژ ثابت جریان ثابت (CC-CV)، خروجی توان بالا، ضریب توان ≥ 0.95، با قابلیت توزیع جریان ثابت، حفاظت در برابر اضافه جریان، اضافه ولتاژ و اتصال کوتاه، باز شدن مدار |
| لامپ موجود | LED |
| قدرت لامپ (وات) | 30W, 50W, 70W, 100W |
| شاخص رندر رنگ (Ra) | ≥80 |
| دمای رنگ (CCT) | 5700K |
| یادداشت | سفید خنک به صورت پیشفرض(سفید گرم یا سفید طبیعی به صورت اختیاری) |
| ولتاژ نامی | 100-277V AC 50/60Hz, 220-240V AC 50/60Hz |
| حفاظت زمین | M5 (internal & external earth bolts) |
| درجه حفاظت | IP66 |
| دمای محیط | 30W, 50W: T6/T80°C for Tamb.: -20°C~+43°C; T5/T85°C for Tamb.: -20°C~+58°C, 70W, 100W: T5/T85°C for Tamb.: -20°C~+43°C; T4/T100°C for Tamb.: -20°C~+58°C |
| ترمینال | 3 x 1.5-4mm² (L+N+PE) |
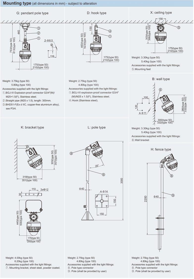
| نوع نصب | Ceiling type, pole type, pendant pole type, wall type, bracket type, hook type, fence type |
| ورودی کابل | M25 x 1.5 |
| قطر خارجی کابل | Φ10-Φ14(mm) |
- صفحه نخست
- تجهیزات ضد انفجار
- تجهیزات روشنایی ضد انفجار
- چراغ LED ضد انفجار
- چراغ LED ضد انفجار سری HRD91-LED
چراغ LED ضد انفجار سری HRD91-LED
روشنایی LED ضد انفجار HRD91 | عملکردی بی نظیر در صنایع حساس
چراغ LED ضدانفجار HRD91 یک راهکار نوری حرفهای و ایمن برای محیطهایی است که در آن خطر انفجار به دلیل وجود گازها، بخارات یا گرد و غبار قابل اشتعال وجود دارد. این روشنایی LED ضد انفجار با بهرهگیری از فناوری LED کممصرف و بدنهای مقاوم، برای نصب در زونهای 1 و 2 طراحی شده و عملکردی مطمئن در سختترین شرایط صنعتی ارائه میدهد.
ویژگیهای کلیدی چراغ LED ضد انفجار HRD91 برند WAROM
- حفاظت ضد انفجار مطابق با استاندارد Ex db IIC T6
- قابل استفاده در زون 1 و زون 2 محیطهای مستعد انفجار
- مصرف انرژی پایین با راندمان نوری بالا (LED)
- دارای گواهینامههای بینالمللی ATEX و IECEx
- بدنه آلومینیومی مقاوم در برابر خوردگی و ضربه
- عمر طولانی و نیاز به حداقل نگهداری
- مناسب برای نصب سقفی، دیواری یا روی پایه
کاربردهای روشنایی ضد انفجار HRD91
چراغ LED ضدانفجار HRD91 برای استفاده در محیطهای صنعتی با ریسک بالا طراحی شده است، از جمله:
- صنایع نفت، گاز و پتروشیمی
- سکوهای حفاری دریایی و پالایشگاهها
- کارخانههای تولید رنگ و مواد شیمیایی
- محیطهای معدن، گاز مایع و ایستگاههای CNG
- انبارهای مواد قابل اشتعال
چرا روشنایی LED ضد انفجار HRD91 انتخابی مطمئن است؟
چراغ LED ضد انفجارHRD91 نه تنها استانداردهای بینالمللی ایمنی را پوشش میدهد، بلکه با طراحی بهینه و مصرف کم انرژی، هزینههای نگهداری و مصرف برق را بهطور محسوسی کاهش میدهد. عمر طولانی LED، مقاومت مکانیکی بالا و عملکرد پایدار در دمای بالا یا شرایط مرطوب، آن را به گزینهای ایدهآل برای پروژههای حساس تبدیل میکند.
روشنایی ایمن در محیطهای انفجاری را با HRD91-LED تجربه کنید!
برای مشاوره رایگان، استعلام قیمت و ثبت سفارش با کارشناسان ما تماس بگیرید.





نقد و بررسیها
هنوز بررسیای ثبت نشده است.